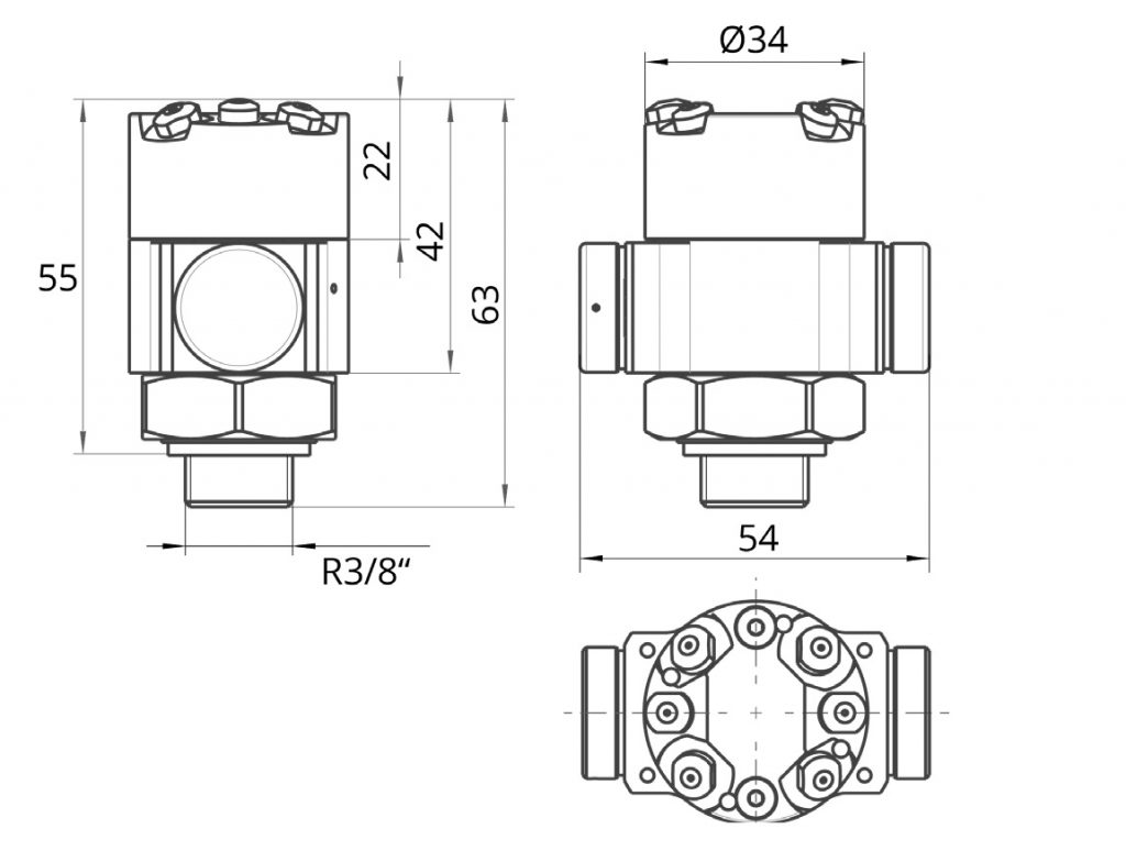
Punktdüse – CRN52
Die Rotationsdüse für Flächen bis 65 mm und Bohrlöcher/Vertiefungen
Die CRN52 – der robuste Kraftprotz mit höchster Reinigungsleistung bei kompakter Bauform ohne Störkonturen – Nachhaltig und effizient. Die rotierende Druckluftdüse erzeugt eine pulsierende und turbulente Luftströmung und optimiert das Aufwirbeln und Ablösen der Partikel von der Oberfläche.
Die ehem. patentierte automatische Drehzahlregelung garantiert eine konstante und druckunabhängige Drehzahl, was eine Prozesssicherheit im automatisierten Betrieb gewährleistet.
Passgenaue Lösungen
Individuell auf Ihre Bedürfnisse angepasst
Ist die CRN52 womöglich die richtige Lösung für Sie? Dann nehmen Sie unverbindlich Kontakt mit uns auf. Wir beraten Sie gerne und erstellen Ihnen ein passgenaues Angebot.
Anwendungsmöglichkeiten
Konzentrierte Reinigung von Objekt-Oberflächen
Reinigen von Bohrlöchern und Vertiefungen
Reinigen von Nuten
Reinigen von kleineren Sacklöchern
Spezielle Eigenschaften
Um die Düse optimal auf das Reinigungsproblem anzupassen, bietet das Design der CRN52 mehrere Vorteile:
Winkelstellungen der Düseneinheiten
Die Düsenaufnahmen können paarweise in 10° Schritten (je 10, 20 und 30°) auf die Reinigungsstellen ausgerichtet werden.
Größe der Düsenöffnung
Zur Erhöhung der Wirkkraft können die Öffnungen der Düseneinheiten von 0,6 bis 2,0 mm gewählt werden.
Konzentration der Kraft auf kleine Fläche
Zur Erhöhung der Wirkkraft sind die Öffnungen der Düseneinheiten auf eine kleinere Fläche fokussiert, siehe Wirkkraft je mm² im Vergleich mit anderen Düsentypen in der Grafik.
Zusatzdüsen im Zentrum
Um axiale Problemzonen wie Bohrlöcher zusätzlich zu erreichen, kann das Düsenoberteil mit 2 zusätzlichen fokussierten Zentrumsdüsen bestellt werden (0 und 8° zueinander geneigt).
Ergänzende Produkte und Services
Dysis
Das Düsenüberwachungssystem erfasst die Drehzahl geregelter Rotationsdüsen, sichert die Reinigungseffizienz und erkennt Wartungsbedarf frühzeitig.
Wartungseinheit
Die Wartungseinheit gewährleistet eine gleichmäßige und hochwertige Luftzufuhr, optimiert die Leistung der Düsen und reduziert den Wartungsaufwand.
Autom. Absaugung
Absauganlagen erfassen und entfernen Staub sowie Späne effizient, verbessern die Luftqualität und sorgen für eine saubere sowie sichere Arbeitsumgebung.
Ersatzteile
Unsere umfänglichen Ersatzteile für Rotationsdüsen gewährleisten eine lange Lebensdauer und optimale Leistung Ihrer Anlagen und sorgen für minimale Ausfallzeiten sowie maximale Effizienz im Betrieb.






